Оптические датчики  - сенсоры

 
Подпись: ГлавнаяПодпись: ПродукцияПодпись: О предприятииПодпись: Прайс 

 

 

 

 

 

 

Фотодатчики горячего металла

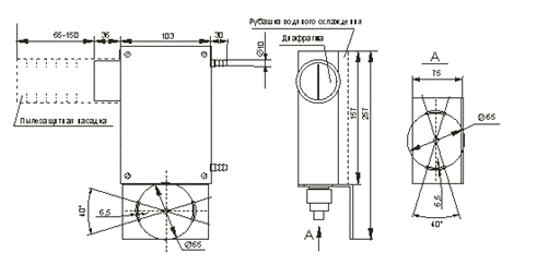
Фотодатчики семейства ФГ предназначены для контроля наличия горячего металла (от +350°С) в контролируемых зонах оптических углов зрения датчиков. Расстояние от контролируемого металла до датчика зависит от 100%-ого заполнения угла зрения ( от 2°30' до 3°30') инфракрасным излучением. Фотодатчики комплектуются рубашкой водяного охлаждения, пылезащитной насадкой на оптический тубус, щелевыми или круглыми диафрагмами, защитным кожухом, коробкой соединительной КСГ по заказу. Производство фотодатчиков ФГ проходит в соответствии с ТУ4218-005-39921756-2003 .

 

 

 

 

 

 

 

Фотодатчики для объектов, непрозрачных для модулированного инфракрасного излучения.

Фотодатчик ФШ44 предназначен для контроля наличия в оптической зоне холодных и нагретых тел, непрозрачных для инфракрасного модулированного излучения датчика. Расстояние от датчика до уголкового отражателя (стеклянного или пластмассового) от 0,4 до 12 м. Диаметр зоны контроля не более 50 мм. Фотодатчик комплектуется защитной насадкой на оптический тубус. Производство фотодатчиков ФШ проходит в соответствии с ТУ4218-005-39921756-2003.

ФГ24М

      image004.gif    image002.gif

ФШ44

        image008.jpg        image009.jpg