|
|
|
|
|
|
|
|
|
|
|
|
|
|
|
|
|
|
|
|
|
|
|
|
|
|
|
 |
|
ФГ24М предназначен для контроля наличия горячего
металла на технологической линии прокатного производства.
Применяется в устройствах технологической
автоматики.
Реклама
ФГ24М
|
|
|
|
|
|
 |
|
|
|
 |
|
|
|
 |
|
|
|
|
Достоинства
·
Дистанционный контроль работы в тестовом режиме.
·
Универсальный выходной каскад.
·
Защита датчика от перегрузок, коротких замыканий и
неправильного подключения питания.
·
Светодиодная индикация срабатывания.
·
Питание от нестабилизированного источника.
·
Комплектация насадкой с пылеулавливающими кольцами, щелевой или
круглой диафрагмой и рубашкой водяного охлаждения.
·
Комплектация кабелем защищённым от механических повреждений
металлорукавом или дюритовым маслостойким шлангом заказной длины.
Принцип действия
Преобразование
инфракрасного излучения горячего металла в электрический сигнал
(фотоЭДС).
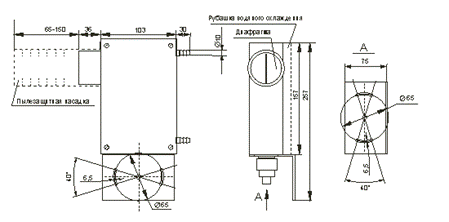
Конструкция
Фотодатчик
выполнен в силуминовом прямоугольном корпусе, внутри которого
закреплена печатная плата с электронными компонентами схемы. На задней
стенке корпуса установлены индикаторный светодиод и отверстие (закрытое
пробкой с резьбой) для доступа к регулятору чувствительности. На нижней
части корпуса установлен разъём для плдключения кабеля и кронштейн,
позволяющий поворачивать корпус в горизонтальной и вертикальной плоскостях
на угол ±20 °.
Технические данные
|
Наименование
параметра
|
Значение
параметра
|
|
1. Угол зрения
|
2 ° 30`
|
|
2. Чувствительность
(при 100% заполнении угла зрения):
|
|
|
- модификация
ФГ24М.1, ° С
|
350
|
|
- модификация
ФГ24М.2, ° С
|
600
|
|
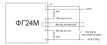
3. Выход
бесконтактный (открытые коллекторы PNP и NPN транзистора) с параметрами
|
|
|
- напряжение
выходного сигнала низкого уровня (на нагрузке), В
|
2
|
|
при номинальном
напряжении питания 24 В), В, не менее
|
22
|
|
- ток нагрузки
каждого выхода, мА, не более
|
100
|
|
-время
включения/отключения, мсек, не более
|
0,5
|
|
4. Выход контактный (
замыкающий контакт реле) с параметрами:
|
|
|
- напряжение
постоянного тока на разомкнутых контактах, В
|
28
|
|
- коммутируемый ток,
А, не более
|
1
|
|
- время включения,
мсек, не более
|
10
|
|
- время отключения,
мсек, не более
|
4
|
|
5. Питание датчика от
источника постоянного тока с параметрами:
|
|
|
- напряжение, В
|
24 ±15%
|
|
- допустимые
пульсации напряжения (двойная амплитуда), %, не более
|
15
|
|
6. Потребляемая
мощность, Вт, не более
|
3
|
|
7. Диапазон рабочих
температур:
|
|
|
- без рубашки
водяного охлаждения, ° С
|
от -25 до +50
|
|
- с рубашкой водяного
охлаждения, ° С
|
до +70
|
|
8. Устойчивость к
воздействию вибраций по ГОСТ 12997
|
V4
|
|
9. Защищенность от
проникновения твердых тел и воды по ГОСТ 14254
|
IP54
|
|
10. Масса
фотодатчика, кг, не более
|
2,5
|
|
11. Срок службы, лет , не менее
|
6
|
|
|
|
|
|
 |
|
|
|
|
|
|
|
|
|
Габаритно - установочный чертёж
|
|
|
|
|
|
 |
|
|
 |
|
|
|
|
Система обозначения для заказа
|
|
|
|
|
 |