|
|
|
|
|
|
|
|
|
|
|
|
|
|
|
|
|
|
|
|
|
|
|
|
|
|
|
|
|
|
 |
|
|
|
Фотодатчик ФШ44 предназначен для
контроля наличия холодных или нагретых тел непрозрачных для инфракрасного
модулированного излучения.
Применяется в системах
технологической автоматики в металлургии и других отраслях промышленности.
Реклама ФШ44
|
|
|
|
 |
|
|
|
 |
|
|
|
 |
|
|
|
|
Достоинства
·
Высокая чувствительность.
·
Работа в условиях световых помех.
·
Излучатель и приемник в одном корпусе.
·
Защита датчика от перегрузок, коротких замыканий и
неправильного подключения питания.
·
Светодиодная индикация срабатывания.
·
Питание от нестабилизированного источника.
·
Комплектация датчика оптическими отражателями.
·
Комплектация кабелем защищённым от механических повреждений
металлорукавом или дюритовым маслостойким шлангом заказной длины.
Принцип действия
Преобразование
приемником датчика инфракрасного модулированного излучения излучателя ,
отраженного от внешнего отражателя , в электрический сигнал (режим
автоколлимации).
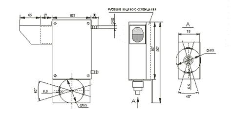
Конструкция
Корпус
фотодатчика выполнен в виде прямоугольной литой силуминовой коробки, в
которой установлены печатная плата с элементами схемы. На передней стенке
корпуса установлен объектив с двумя линзами, излучающим светодиодом и
приемным светодиодом. На задней стороне корпуса установлен
индикаторный светодиод , сигнализирующий о срабатывании фотодатчика. На
нижней плоскости корпуса расположены разъем для подключения кабеля и
кронштейн крепления фотодатчика, позволяющий поворачивать датчик в горизонтальной
и вертикальной плоскостях на углы ±20°.
Технические данные
|
Наименование параметра
|
Значение параметра
|
|
1. Расстояние от фотодатчика до отражателя, м
|
|
|
- пластмассовый отражатель Ф4401
|
от 0,4 до 6
|
|
- стеклянный отражатель Ф4402
|
от 0,4 до 12
|
|
2. Диаметр зоны контроля, мм, не более
|
50
|
|
3. Выход бесконтактный (открытый коллектор NPN транзистора)
с параметрами
|
|
|
- напряжение выходного сигнала низкого уровня (на нагрузке), В, не
более
|
2
|
|
- напряжение выходного сигнала высокого уровня (на нагрузке) при
номинальном напряжении питания 24 В), В, не менее
|
22
|
|
- ток нагрузки выхода, мА, не более
|
100
|
|
- время включения/отключения, мсек, не более
|
2
|
|
4. Выход контактный ( замыкающий контакт реле) с параметрами:
|
|
|
- напряжение постоянного тока на разомкнутых контактах, В, не более
|
150
|
|
- коммутируемый ток, А, не более
|
0,3
|
|
5. Питание датчика от источника постоянного тока с параметрами:
|
|
|
- напряжение, В
|
24 ±15%
|
|
- допустимые пульсации напряжения (двойная амплитуда), %, не
более
|
15
|
|
6. Потребляемая мощность, Вт, не более
|
6,5
|
|
7. Диапазон рабочих температур:
|
|
|
- без рубашки водяного охлаждения, ° С
|
от -25 до +50
|
|
- с рубашкой водяного охлаждения, ° С
|
до +70
|
|
8. Устойчивость к воздействию вибраций по ГОСТ 12997
|
V4
|
|
9. Защищенность от проникновения твердых тел и воды по ГОСТ 14254
|
IP54
|
|
10. Масса фотодатчика, кг, не более
|
2,5
|
|
11. Срок службы, лет , не менее
|
6
|
|
|
|
|
 |
|
|
|
 |
|
|
|
|
|
|
|
|
Габаритно - установочный чертёж
|
|
|
|
|
|
 |
|
|
 |
|
|
|
|
Система обозначения для заказа
|
|
|
|
|
 |